サテライトコンパス™ (GPS/GNSSコンパス)/ヘディングセンサー
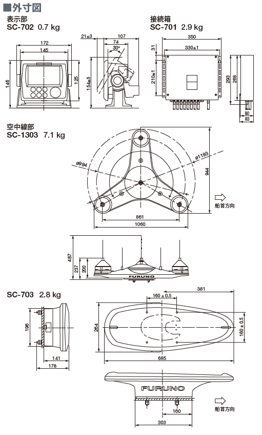
サテライトコンパス™ (GPS/GNSSコンパス) 型式 SC-70


マルチGNSS対応の高精度方位センサー
0.4°rms以内の方位精度を実現
マルチGNSSによる、高精度で安定した方位出力を提供
プレジャーボート
漁船
官公庁船
サテライトコンパス™ (GPS/GNSSコンパス)/ヘディングセンサー


0.4°rms以内の方位精度を実現
マルチGNSSによる、高精度で安定した方位出力を提供
※ 船首・船尾の舷側方向への速度と船首方向速度
国土交通省 型式承認(船首方位伝達装置、第一種衛星航法装置)取得済み。
※ 表示部としてRD-50/RD-20は必要になります。
※ 装備場所によって起動時間が若干異なります。
※ LAN変換キットは必要です






* 外観・仕様に関しては予告なく変更する場合があります。予めご了承ください。